Processos Industriais

P&ID
(Fluxogramas de Processo)

Elaboração:

  • Em todo tipo de processo, há passos e funções que precisam ser medidas e controladas para permitir produção e qualidade dos produtos. A instrumentação é utilizada para monitorar e controlar cada etapa do processo. A fim de desenvolver e permitir o entendimento das funções de processo, é fundamental que se saiba:
  • Quais dispositivos/instrumentos de medição estão instalados?
  • Onde estão instalados?
  • Para que estão sendo utilizados (funcionalidade)?
  • Quais são os instrumentos relacionados entre si compondo uma malha de controle.
  • A norma NBR 8190 apresenta e sugere o uso de símbolos gráficos para representação dos diversos instrumentos e suas funções ocupadas nas malhas de instrumentação. No entanto, como é dada a liberdade para cada empresa estabelecer/escolher a norma a ser seguida na elaboração dos seus diversos documentos de projeto de instrumentação outras são utilizadas. Assim, devido a sua maior abrangência e atualização, uma das normas mais utilizadas em projetos industriais no Brasil é a estabelecida pela ISA (Instrument Society of America).

Fluxo de Desenvolvimento

    Fases do Estudo e Aplicação industrial:

    Documentação de Projeto:

  • Norma - Simbologia ANSI/ISA 5.1 -2009.
  • Identificação e padronização de TAG's de instrumentos e equipamentos.
  • Execução de critérios de projeto de instrumentação.
  • Execução de critérios de projeto de automação / redes de campo.
  • Especificação de instrumentos para todas as aplicações do projeto.
  • Memorial descritivo de processo.
  • Elaboração de Relatório Hazop (Hazard and Operability Study).
  • Aquisição de dados de processo para instrumentos.
  • Planta de classificação de áreas.
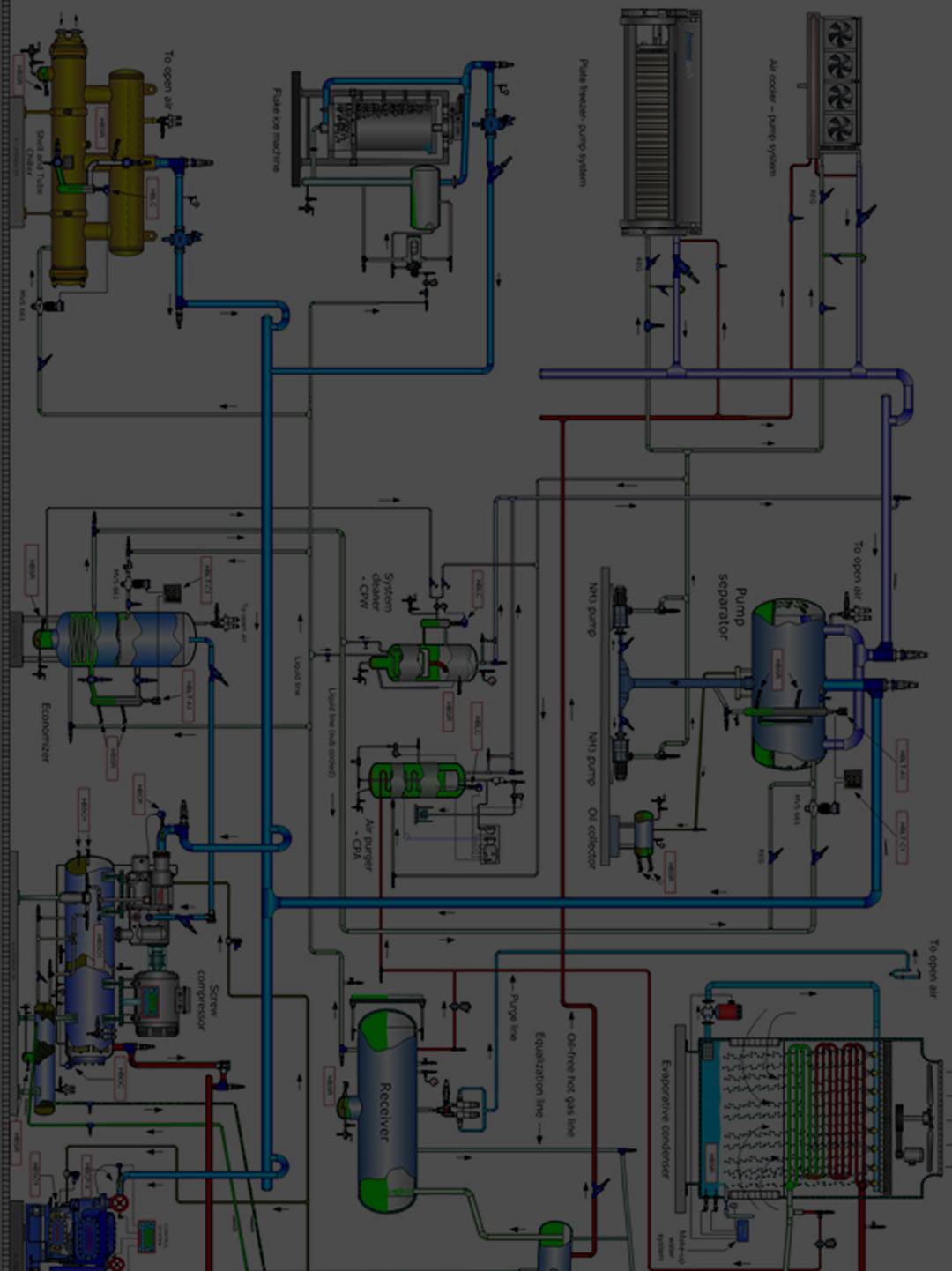
  • Fluxogramas de Processo (P&ID).
  • Arquitetura de sistema de controle.
  • Lista de instrumentos / Banco de Dados On-line de Instrumentos.
  • Lista de entradas e saídas (I/O's).
  • Folha de dados de instrumentos.
  • Parecer técnico de fornecedores.
  • Especificação técnica.
  • Memorial de cálculo – consumo de ar comprimido para instrumentos.
  • Memorial de cálculo – elementos deprimogênios, válvulas de controle, válvulas de segurança/alívio, válvulas reguladoras de pressão e poços termométricos.
  • Memorial de cálculo de redes – tempo de acesso, queda de tensão.
  • Diagrama de causa e efeito.
  • Diagrama de controle de processo.
  • Diagrama lógico de intertravamento.
  • Modelamento 3D.
Fale conosco